一、概 述
智能电磁流量计是基于法拉第电磁感应定律工作的,用来测量电导率大于5μS/cm导电液体的体积流量,是一种测量导电介质体积流量的感应式仪表。除可测量一般导电液体的体积流量外,还可用于测量强酸强碱等强腐蚀液体和泥浆、矿浆、纸浆等均匀的液固两相悬浮液体的体积流量。广泛应用于石油、化工、冶金、轻纺、造纸、环保、食品等工业部门及市政管理,水利建设、河流疏浚等领域的流量计量。
二、工作原理
根据法拉第电磁感应原理,在与测量管轴线和磁力线相垂直的管壁上安装了一对检测电极,当导电液体沿测量管轴线运动时,导电液体切割磁力线产生感应电势,此感应电势由两个检测电极检出,数值大小与流量成正比例,其值为:
E=KBVD
式中:
E-感应电势;
K-与磁场分布及轴向长度有关的系数;
B-磁感应强度;
V-导电液体平均流速;
D-电极间距;(测量管内直径)
传感器将感应电势E作为流量信号,传送到转换器,经放大,变换滤波用一系列的数字处理后,用带背光的点阵式液晶显示瞬时流量和累积流量。转换器有4~20mA输出,报警输出及频率输出,并设有RS-485等通讯接口,并支持HART和MODBUS协议。
三、仪表特点
■全数字量处理,抗干扰能力强,测量可靠,精度高、流量测量范围可达150:1;
■超低EMI开关电源,适用电源电压变化范围大,抗EMI性能好;
■采用16位嵌入式微处理器,运算速度快,精度高,可编程频率低频矩形波励磁,提高了流量测量的稳定性,功耗低;
■采用SMD器件和表面贴装(SMT)技术,电路可靠性高;
■管道内无可动部件,无阻流部件,测量中几乎没有附加压力损失;
■在现场可根据用户实际需要在线修改量程;
■测量结果与流速分布,流体压力,温度、密度、粘度等物理参数无关;
■高清晰度背光LCD显示,全中文菜单操作,使用方便,操作简单,易学易懂;
■具有RS485、RS232、Hart和Modbus等数字通讯信号输出;(选配)
■具有自检与自诊断功能;
■小时总量计录功能,以小时为单位记录流量总量,适用于分时计量制(选配);
■内部具有三个积算器可分别显示正向累积量反向累积量及差值积算量,内部设有不掉电时钟,可记录16次掉电时间。(选配);
■红外手持操作器,115KHZ通讯速率,远距离非接触操作转换器所有功能(选配).
如何正确选型:
仪表的选型是仪表应用中非常重要的工作,有关资料表明,仪表在实际应用中有2/3的故障是仪表的错误选型或错误的安装而造成的,请特别注意。
◆收集数据
1.被测流体成份
2.最大流量、最小流量
3.最高工作压力
4.最高温度、最低温度
◆被测流体必须具备一定的导电性,导电率>5μS/CM
最大流量和最小流量必须符合下表中的数
|
口 径
(mm)
|
流量范围
(m³/h)
|
口 径
(mm)
|
流量范围
(m³/h)
|
|
φ15
|
0.0636~6.36
|
φ450
|
57.23~5722.65
|
|
φ20
|
0.11~11.30
|
φ500
|
70.65~7065.00
|
|
φ25
|
0.18~17.66
|
φ600
|
101.74~10173.6
|
|
φ40
|
0.45~45.22
|
φ700
|
138.47~13847.4
|
|
φ50
|
0.71~70.65
|
φ800
|
180.86~18086.4
|
|
φ65
|
1.19~119.4
|
φ900
|
228.91~22890.6
|
|
φ80
|
1.81~180.86
|
φ1000
|
406.94~40694.4
|
|
φ100
|
2.83~282.60
|
φ1200
|
553.90~55389.6
|
|
φ150
|
6.36~635.85
|
φ1600
|
723.46~72345.6
|
|
φ200
|
11.3~1130.4
|
φ1800
|
915.62~91562.4
|
|
φ250
|
17.66~176.25.
|
φ2000
|
1130.4~113040.00
|
|
φ300
|
25.43~2543.40
|
φ2200
|
1367.78~136778.4
|
|
φ350
|
34.62~3461.85
|
φ2400
|
1627.78~162777.6
|
|
φ400
|
45.22~4521.6
|
φ2600
|
1910.38~191037.6
|
◆实际最高工作压力必须小于流量计的额定工作压力。
◆最高工作温度和最低温度必须符合流量计规定的温度要求。
◆确定是否有负压情况存在。
您可以根据上表中的流量选择相应的电磁流量计,若所选择的电磁流量计的内径与现在工艺管道的内径不符,应进行缩管或扩管。
◆若管道进行缩管,应考虑由于缩管引起的压力损失是否会影响工艺流程。
◆从产品价格考虑,可以选择较小口径的电磁流量计,相对减少投资。
◆测洁净水时,经济流速时1.5~3m/s,测易结晶的溶液时,应适当地提高流速,3~4m/s为宜,起到自清扫,防止粘附沉积等作用;测矿浆等磨耗性流体时,应适当降低流速,1.0~2m/s为宜,以降低对内衬和电极地磨损。实际应用很少超过7m/s,超过10m/s则更为罕见。
衬里材料的确定:请参照表4
2.选型说明
电极、接地环材料的确定:请参照表5

若不能确定选用何种衬里材料及电极材料请参照“电极和衬里耐腐蚀材料一览表”
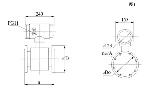
1.流量计外形尺寸

2.分体型转换器安装尺寸

电磁流量计的正确接线
①励磁电缆可选用YZ中型橡套电缆,其长度与信号电缆一样
②信号电缆和其他动力电源电缆必须严格分开,不能敷设在同一根管子内,不能平行敷设,不能绞合在一起,应分别单独穿在钢管内。
③信号电缆和励磁电缆尽可能短,不能将多余的电缆卷在一起,应将多余电缆剪掉,并重新焊接头,电缆进入传感器电气接口时,在端口处做成U型,这样可以防止雨水渗透到传感器中。
④分体型电磁流量计励磁电缆和转换器之间的连接用专用接线完成,转换器和外部的连接同一体型电磁流量计。
一体型电磁流量计的接线:
①励磁电缆可选用YZ中型橡套电缆,其长度与信号电缆一样
②信号电缆和其他动力电源电缆必须严格分开,不能敷设在同一根管子内,不能平行敷设,不能绞合在一起,应分别单独穿在钢管内。
③信号电缆和励磁电缆尽可能短,不能将多余的电缆卷在一起,应将多余电缆剪掉,并重新焊接头,电缆进入传感器电气接口时,在端口处做成U型,这样可以防止雨水渗透到传感器中。
④分体型电磁流量计励磁电缆和转换器之间的连接用专用接线完成,转换器和外部的连接同一体型电磁流量计。
分体型电磁流量计的接线:
◆测量精度不受流体密度、粘度、温度、压力和电导率变化的影响,传感器感应电压信号与平均流速呈线性关系,因此测量精度高。
◆测量管道内无阻流件,因此没有附加的压力损失;测量管道内无可动部件,因此传感器寿命极长。
◆由于感应电压信号是在整个充满磁场的空间中形成的,是管道载面上的平均值,因此传感器所需的直管段较短,长度为5倍的管道直径。
◆传感器部分只有内衬和电极与被测液体接触,只要合理选择电极和内衬材料,即可耐腐蚀和耐磨损。
◆LDE转换器采用国际最新最先进的单片机(MCU)和表面贴装技术(SMT),性能可靠,精度高,功耗低,零点稳定,参数设定方便.点击中文显示LCD,显示累积流量,瞬时流量、流速、流量百分比等.
◆双向测量系统,可测正向流量、反向流量.采用特殊的生产工艺和优质材料,确保产品的性能在长时候内保持稳定。
现场管道安装实图

如何在管道上安装:
应安装在水平管道较低处和垂直向上处,避免安装在管道的最高点和垂直向下处;
应安装在管道上上升处;

在开口排放管道安装,应安装在管道的较低处;

若管道落差超过5m时,在传感器的下游安装排气阀;

应在传感器的下游安装控制阀和切断阀,而不应安装在传感器上游;

传感器绝对不能安装在泵的进出口处,应安装在泵的出口处;

在测量井内安装流量计的方式
1、入口 2、溢流管 3、入口栅 4、清洗孔
如何正确选择安装节点:
正确地选择安装点和正确安装流量计都是非常重要的环节,若在安装环节失误,轻者影响测量精度,重者会影响流量计的使用寿命,甚至会损坏流量计。
选择安装位置时需特别注意:
·非测量电极的轴线必须近似于水平方向;

·测量管道内必须完全充满液体;

·流量计前方最少要有5D(D为流量计内径)长度的直管段,后方最少要有3D(D为流量计内径)长度的直管段;
·流体的流动方向和流量计的箭头方向一致;
·管道内要有真空会损坏流量计的内衬,需特别注意;
·在流量计附近应无强电磁场;
·在流量计附近应有充裕的空间,以便安装和维护;
·若测量管道有振动,在流量计的两边应有固定的支座测量不同介质的混合液体时混合点与流量计之间的距离最少要有30×D(D为流量计内径)长度为方便今后流量计的清洗和维护,应安装旁通管道;
|