 |
请输入关键字 |
|
|
| 联系午夜免费福利 |
江苏午夜成人APP在线观看仪表有限公司
地 址:江苏省金湖工业园区
邮 编:211600
电 话:0517-86500336
86500226
传 真:0517-86800636
联系人:杨经理
手机:13915187193(微信同号)
E-mail:jshdyb@163.com
|
|
|
|
铠装热电偶 |
|
产品型号: |
WR□K |
产品报价: |
 |
产品特点: |
WR□K铠装热电偶通常和显示仪表、记录仪表、电子计算机等配套使用。直接测量各种生产过程中的0°C~1300°C范围内液体,蒸汽和气体介质以及固体表面温度。 |
|
|
应用
|
|
通常和显示仪表、记录仪表等配套使用。直接测量各种生产过程中的0~1300℃范围内液体、蒸汽和气体介质以及固体表面温度。
|
|
|

|
|
特点
|
|
●热响应时间少,减小动态误差;
●可弯曲安装使用;
●测量范围大;
●机械强度高,耐压性能好。
|
|
工作原理
|
| 铠装热电偶的两根电极由不同导体材质组成。当测量端与参比端存在温差时,就会产生热电动势,工作仪表便显示出热电动势所对应的温度值。 |
主要技术参数 |
●产品执行标准
IEC584 IEC1515 GB/T16839-1997 JB/T5582-91
●常温绝缘电阻
铠装偶在环境温度为20±15℃,相对湿度不大于80%,试验电压为500±50V(直流)电极与外套管之间的绝缘电阻≥1000MΩ.m。即1m长的试样的绝缘电阻为1000MΩ;10m长的试样的绝缘电阻为100MΩ。
●测温范围及允差 |
|
工作端形式

| 型号 |
分度号 |
允许误差与偶材等级 |
| I级 |
II级 |
| 允差值 |
测温范围℃ |
允差值 |
测温范围℃ |
| WRNK |
K |
±1.5℃ |
-40~+375 |
±2.5℃ |
-40~+333 |
| ±0.004│t│ |
375~1000 |
±0.0075│t│ |
333~1200 |
| WRMK |
N |
±1.5℃ |
-40~+375 |
±2.5℃ |
-40~+333 |
| ±0.004│t│ |
375~1000 |
±0.0075│t│ |
333~1200 |
| WREK |
E |
±1.5℃ |
-40~+375 |
±1.5℃ |
-40~+333 |
| ±0.004│t│ |
375~800 |
±0.004│t│ |
333~900 |
| WRFK |
J |
±1.5℃ |
-40~+375 |
±1.5℃ |
-40~+333 |
| ±0.004│t│ |
375~750 |
±0.004│t│ |
333~750 |
| WRCK |
T |
±1.5℃ |
-40~+125 |
±1℃ |
-40~+333 |
| ±0.004│t│ |
125~350 |
±0.0075│t│ |
133~350 |
| WRPK |
S |
±1℃ |
0~+1100 |
±2.5℃ |
0~600 |
| ±[1+0.003(t-1100)] |
1100~1600 |
±0.0025│t│ |
600~1600 |
|
| |
|
|
|
|
|
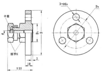
代号和尺寸
|
铠装偶外径
|
|
Φ8
|
Φ6
|
Φ5
|
Φ4
|
Φ3
|
Φ2
|
|
M
|
M16×1.5
|
M12×1.5
|
|
S
|
22
|
19
|
 |
|
代号和尺寸
|
铠装偶外径
|
|
Φ8
|
Φ6
|
Φ5
|
Φ4
|
Φ3
|
Φ2
|
|
D
|
Φ60
|
Φ50
|
|
D0
|
Φ42
|
Φ36
|
|
D1
|
Φ24
|
Φ20
|
|
S
|
22
|
19
|
|
d0
|
Φ9
|
Φ7
|
防喷式 防水式
扁接插式 圆接插式
手柄式 补偿导线式
|
铠装热电偶推荐使用温度
|
|
|
品种
|
套管材料
|
外径(mm)
|
使用温度(℃)
|
|
长期使用温度
|
短期使用温度
|
|
铠装镍铬-镍硅
|
1Cr18Ni9Ti
|
2.0
|
600
|
700
|
|
3.0,4.0,5.0,6.0,8.0
|
800
|
900
|
|
GH3030
|
2.0,3.0
|
800
|
900
|
|
4.0,5.0
|
900
|
1000
|
|
6.0,8.0
|
1000
|
1100
|
|
铠装镍铬硅-镍硅
|
1Cr18Ni9Ti
|
2.0
|
600
|
700
|
|
GH3030
|
3.0,4.0,5.0,6.0,8.0
|
800
|
900
|
|
2.0,3.0
|
900
|
1000
|
|
4.0,5.0
|
1000
|
1100
|
|
GH3039
|
6.0.8.0
|
1100
|
1200
|
|
2.0,3.0,4.0
|
1000
|
1100
|
|
5.0.6.0.8.0
|
1100
|
1200
|
|
铠装镍铬-铜镍
|
1Cr18Ni9Ti
|
2.0
|
500
|
600
|
|
3.0.4.0.5.0
|
600
|
700
|
|
6.0.8.0
|
700
|
800
|
|
铠装铁-铜镍
|
1Cr18Ni9Ti
|
2.0
|
400
|
500
|
|
3.0.4.0.5.0
|
500
|
600
|
|
铠装铜-铜镍
|
1Cr18Ni9Ti
|
6.0.8.0
|
600
|
700
|
|
2.0,3.0.4.0.5.0
|
250
|
300
|
|
铠装铂铑10-铂
|
GH3039
|
6.0.8.0
|
300
|
350
|
|
2.0.3.0.4.0.
5.0.6.0.8.0
|
1000
1100
|
1100
1200
|
附加装置形式 |
包箍式 导热块式
|
型号命名方法
|
|
|
W
|
温度仪表
|
| |
|
|
|
|
|
|
|
|
|
|
|
|
|
|
|
|
|
|
|
|
|
|
|
|
|
|
|
|
|
|
|
|
|
|
|
|
|
|
|
|
|
|
|
|
|
|
|
R
|
热电偶
|
| |
|
|
|
|
|
|
|
|
|
|
|
|
|
|
|
|
|
|
|
|
|
|
|
|
|
|
|
|
|
|
|
|
|
|
|
|
|
|
|
|
|
|
|
|
感温元件材料 分度号
|
|
M
N
E
F
C
P
Q
R
|
镍铬硅-镍硅 N
镍铬-镍硅 K
镍铬-铜镍 E
铁-铜镍 J
铜-铜镍 T
铂铑10-铂 S
铂铑13-铂 R
铂铑30-铂6 B
|
|
|
|
|
|
|
|
|
|
|
|
|
|
|
|
|
|
|
|
|
|
|
|
|
|
|
|
|
|
|
|
|
|
|
K
|
铠装式 |
|
|
|
|
|
|
|
|
|
|
|
|
|
|
|
|
|
|
|
|
|
|
|
|
|
|
|
|
|
|
|
|
|
|
|
| 偶丝对数 |
|
无
2
|
单支
双支
|
|
|
|
|
|
|
|
|
|
|
|
|
|
|
|
|
|
|
|
|
|
|
|
|
|
|
|
|
|
|
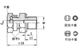
安装固定形式
|
|
1
2
3
4
5
|
无固定装置
固定卡套螺纹
活动卡套螺纹
固定卡套法兰
活动卡套法兰
|
|
|
|
|
|
|
|
|
|
|
|
|
|
|
|
|
|
|
|
|
|
|
|
|
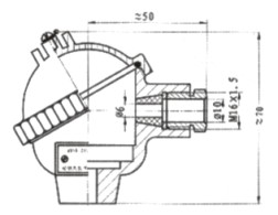
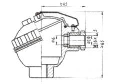
接线盒形式
|
|
2
3
6
7
8
9
|
防喷式
防水式
圆接插式
扁接插式
手柄式
补偿导线式
|
|
|
|
|
|
|
|
|
|
|
|
|
|
|
|
|
工作端形式
|
|
1
2
|
绝缘式
接壳式
|
|
|
|
|
|
|
|
|
|
|
|
|
|
附加装置形式
|
|
M
G
|
接触块式
包箍式
|
|
|
|
|
|
|
|
|
|
|
|
|
W
|
R
|
N
|
K |
2 -
|
2
|
3
|
1
|
M
|
典型型号示例
|
|
|
| 产品相关关键字:铠装热电偶的价格,铠装热电偶的生产厂家,哪里买铠装热电偶 |
| 如果你对WR□K铠装热电偶感兴趣,想了解更详细的产品信息,填写下表直接与厂家联系: |
|
| |
|
|