HD1151LP双法兰液位变送器用于测量液体、气体或蒸汽压力,并将其转变成4~20mADC的电流信号输出。
用途
HD3051LP双法兰液位变送器是一种通过安装在管道或容器上的远传装置来感受被测压力,该压力经毛细管内的灌充硅油(或其它的液体)传递至变送器的主体,然后由变送器主体内的δ室和放大线路板,将压力或差压转换4~20mA.DC信号输出(参见结构原理图)。
HD3051LP双法兰液位变送器的差压变送器与智能放大板组合,可构成智能远传压力、差压变送器,与符合HART协议的手操器配合,可以相互通讯,进行设定和监控。
为了适应不同的安装需求,本系列变送器具有多种形式的远传装置供用户选择,变送器的主体结构与差压相同。

高温下粘稠介质
易结晶的介质
带有固体颗粒或悬浮物的沉淀性介质
强腐蚀或剧毒性介质
可消除导压管泄漏污染周围环境现象的发生;可免去采用隔离液时,因测量信号的不稳定,需要经常补充隔离液的繁琐工作。
连续精确测量界面和密度
远传装置可避免不同瞬间介质的交混,从而使测量结果真实地反映过程变化的实际情况。
卫生清洁要求很高的场合
如食品、饮料和医药工业生产中,不仅要求变送器接触介质部位符合卫生标准,并且应便于冲洗,以防止不同批量介质的交叉污染。
产品特点
逐台进行模拟“在线运行”考核,保证变送器在极限环境温度、介质温度和工作压力(包括正压或真空)下,稳定而可靠地工作。
采用“动态型面”远传膜片结构,超载后膜片不会受损;长期工作后精度不会发生变化。
选用全熔焊和刚性密封结构的灌充系统,根除了漏油现象的发生。
设计新颖的毛细管结合部件,使毛细管得到可靠的保护,在现场使用不易折断。
品种、形式和尺寸多样的远传装置,以及丰富的灌充液种类,可以满足各种不同场合的测量需要。
可提供各种特殊需要产品,包括高温、高真空、快响应和不等长毛细管(差值≤4.5米)远传差压变送器。
技术参数和性能
|
输出信号:4~20MA.DC二线制(模拟)
二线制4~20mA直流信号上叠加数字信号,由用户选择线性或开方输出。(智能)
供电电源:12~45V.DC(详见负载特性图)
负载特性:
电源影响:<0.005%输出量程/V
负载影响:电源稳定时,无负载影响。
测量精度:调校量程的±0.1%,±0.2
(标配精度为±0.2%,若选择其他精度请在订货选型时注明。)
量 程 比:10:1或100比1
|
 |
|
阻 尼:通常可在0.1~16秒之间可调,当灌充惰性液或带远传装置时,时间常数会增大。
启动时间:<2秒,不需预热
工作环境:环境温度 -29~93℃(模拟放大器)
-29~75℃(数字/智能放大器)
-29~65℃(带显示表头)
环境湿度 0~95%
防护特性:防护能力 IP65
防爆类型:隔爆型 Exd II BT4-6
本安型 Exia II CT5
静压影响:零位误差:±0.5%最大量程限值,对于32MPa在管道压力下通过调零给予校正。
电磁辐射影响:0.05%最大量程值,接受辐射频率27~500MHz,试验场强3V/m。
指示表(%):液晶数显 精度±0.2%
振动影响:任何方向200Hz振动时,±0.05%/g。
安装位置:膜片未垂直安装,可能产生小于0.24KPa的零点误差,但可通过调零来修正。
重 量:3.9Kg(不包括附件)
注:① 远传差压变送器的静压还取决于选定法兰的规格。
② 远传装置的工作温度,由所选择的灌充液种类确定。
③ 远传差压变送器的介质温度影响是指两侧的远传装置由室温开始同时受到相同的温度作用,所产生的输出变化。
④ 静压和温度影响,均是在最大量程时测得。
⑤ DP型远传差压变送器两侧的毛细管最大长度为7.5米,两侧长度差为4.5米。



|
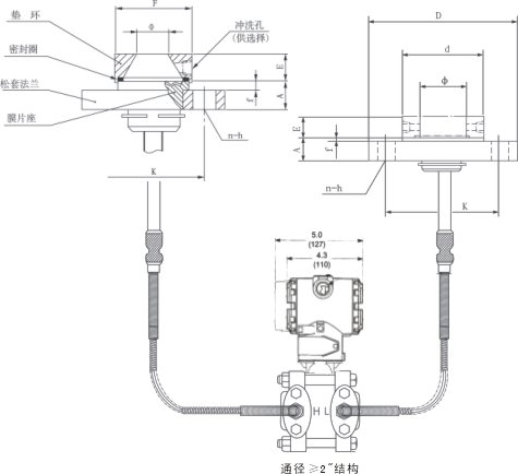
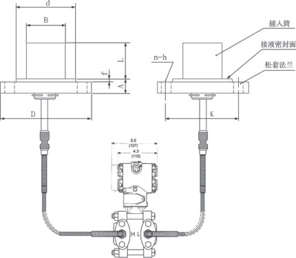
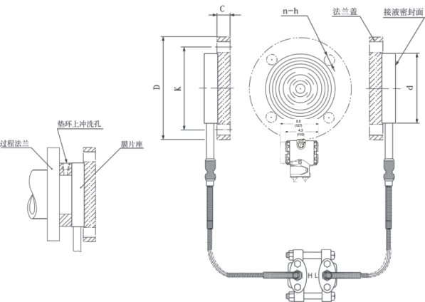
远传装置连接法兰尺寸表(适用于:HDRTW、HD-EFW和HD-PFW型)
|
法兰规格
|
法兰尺寸
|
垫 环
|
安装尺寸
|
插入筒
|
|
代号
|
通径
|
压力
等级
|
外径
D
|
凸径
d
|
凸高
f
|
厚度
|
直径
F
|
孔径
φ
|
分布圆
K
|
孔数
n
|
直径
h
|
直径
B
|
凸出长度
L
|
|
A
|
E
|
|
0A1
|
1"
|
150Lb
|
108
|
___
|
5.5
|
20
|
24
|
66.5
|
27
|
79.4
|
4
|
15
|
___
|
___
|
|
0A3
|
300Lb
|
124
|
23
|
88.9
|
19
|
|
0A6
|
600Lb
|
|
1A1
|
11/2" |
150Lb
|
127
|
79
|
42
|
98.4
|
15
|
|
1A3
|
300Lb
|
156
|
26
|
114.3
|
23
|
|
1A6
|
600Lb
|
28
|
|
2A1
|
2"
|
150Lb
|
152
|
92
|
23
|
92
|
52
|
120.6
|
19
|
暂供
60
|
50 (2")
100(4")
150(6")
|
|
2A3
|
300Lb
|
165
|
26
|
127
|
8
|
|
2A6
|
600Lb
|
31
|
|
3A1
|
3"
|
150Lb
|
191
|
127
|
27.5
|
127
|
79
|
152.4
|
4
|
19
|
77
|
|
3A3
|
300Lb
|
210
|
32.5
|
168.3
|
8
|
23
|
|
3A6
|
600Lb
|
37.5
|
|
4A1
|
4"
|
150Lb
|
229
|
157
|
28
|
157
|
103
|
190.5
|
19
|
95
|
|
4A3
|
300Lb
|
254
|
33.5
|
200
|
23
|
|
4A6
|
600Lb
|
273
|
43.5
|
216
|
25
|
螺纹安装式(RTW)差压变送器

卫生式(SSW)远传差压变送器

远传差压变送器选型
远传变送器是在变送器主体基础上附加远传装置的变型产品,所以其选型工作可分二步进行:首先确定变送器主体的类型(DP)、测量范围和结构材料,然后按现场的安装要求确定远传装置类型和尺寸。由于组成灌充系统的各参数(如灌充液的工作温度、粘度和毛细管的长度)与变送器的性能指标密切相关,因此归入变送器主体选型范畴,不单独列表选择。
|
代号 测量范围 (KPa)
|
|
3
4
5
6
7
8
|
0 - 1.3
0 - 6.2
0 - 31.1
0 - 117
0 - 345
0 - 1170
|
~ 7.5
~ 37.4
~ 186.8
~ 689.5
~ 2068
~ 6895
|
注:1、选用量程代号3时,必须配用通径为4"法兰。
2、远传装置PFW、EFW、RTW、SSW可选量程代号3、4、5、6。
3、远传装置RFW可选量程代号7、8。
|
|
代号 输出形式
|
|
SF
S
|
4~20mA.DC 数字放大器,兼有开方输出,并带4位数字显示
4~20mA.DC 智能放大器,并采用HART协议通讯
|
|
代号 容室和接头材质 隔离膜片材质
|
|
12 碳钢 316钢
22 316钢 316钢
|
注:一般选用代号12,在潮湿和腐蚀场合时选代号22。
|
|
代号 灌充液种类
|
|
L 低粘度硅油 -60~150℃ ρ=0.93
S 普通硅油 -45~205℃ ρ=0.96
H 高温硅油 -10~300℃ ρ=1.07
N 植物油 -15~200℃ ρ=0.92
W 蒸馏水 +5 ~70℃ ρ=1.0
|
注:代号N、W用于有严格卫生要求的场合,可
避免灌充液泄漏对工艺介质造成污染。
|
|
代号 毛细管长度(m)
|
|
00 无毛细管
03 1.0(3ft)
05 1.5(5ft)
10 3.0(10ft)
15 4.5(15ft)
20 6.0(20ft)
25 7.5(25ft)
|
注:1.两侧等长毛细管用二位数表示。
2.两侧不等长细管用四位数表示,前二位表示高压侧长;后二位表示低压侧长。
3.不等长毛细管的长度差≤4.5米。
4."00"表示该侧毛细管,采用一般导压管引压来平衡静压。
|
|
代号 选用件
|
M3 数显指示表 4位LCD数字显示
B1 管装弯支架 (安装管φ60)
B2 板装弯支架
B3 管装平支架 (安装管φ60)
d 隔爆型,防爆标志ExdⅡBT4-6
I 本安型,防爆标志ExiaⅡCT5
|
 |
|
|
HD3051LP 4S 12 H 05 20 M3 B3 d -17.12~6.12KPa 选型举例
|
|
|
★HD3051LP型平法兰式远传装置
|
代号 冲洗备用孔
|
|
11 无
21 有
|
注:法兰通径<2"时,均带垫环,法兰通径≥2"时,有冲洗孔才带垫环。
|
|
代号 远传膜片材料
|
|
A 316L钢
B 哈氏合金C
C 钽
N 镍20
V 蒙耐尔合金
H 钛
|
|
代号 安装法兰通径
|
|
|
2 2"
3 3"
4 4"
|
注:选用量程代号3时,必须配用通径4"。
|
|
代号 安装法兰压力等级
|
|
1 150Lb或PN10/16bar
3 300Lb或PN25/40bar
6 600Lb或PN64bar
|
注:系指安装附件法兰盖的压力等级。
|
| 代号 垫环 法兰盖 膜片座 |
|
A
B
E
|
316钢
哈氏合金C
316钢
|
304钢
304钢
碳钢
|
316钢
316钢
316钢
|
注:结构材料代号B,配用除316L钢以外的远传膜片。 |

| HD3051LP 21 A 4 A 3 E 选型举例 |
|
|
★HD3051LP型螺纹安装式远传装置
| 代号 远传膜片材料 |
A 316L钢
B 哈氏合金C
C 钽 |
| 代号 安装法兰材质 密封垫材质 膜片座材质 |
11
31 |
碳钢
304钢 |
聚四氟乙烯
聚四氟乙烯 |
316钢
316钢
|
注:结构材料代号31配用除316L钢以外的远传膜片。
|
| 代号 接液盖 |
|
A
B
E
|
316钢
哈氏合金C
碳钢
|
注:接液盖材料代号B,配用除316L钢以外的远传膜片。
|

| HD3051LP11 A 31 A 15 选型举例 |
|
|
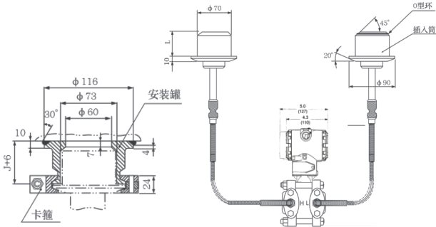
★HD3051LP型卫生式远传装置
| 代号 插入筒 |
31 直径3"(Φ70),压力等级150LB(2MPa)
33 直径3"(Φ70),压力等级300LB(5MPa) |
| 代号 远传膜片材质 插入筒材质 卡箍材质 |
|
A
B
|
316L钢
哈氏合金C
|
316钢
316钢
|
|
| 代号 凸出长度(mm) |
|
2
4
6
|
50(2")
100(4")
150(6") |
| 代号 安装附件 |
|
N
Y1
Y2
|
不带
带卡箍
带卡箍和安装罐 |
注:代号N和Y1用于备品供货,代号Y2用于新设备安装。 |

|
|
|
|
|
|
|
|
|
|