耐震不锈钢真空压力表全部采用不锈钢材料制造,主要零件采用OCr18Ni12Mo2Ti材料,适用于有腐蚀性气体环境,可检测腐蚀性较强介质的压力,广泛应用于石油、化工、冶金等工业。可以适应剧烈振动环境,耐受脉动介质及冲击载荷,具有更广泛用途。全不锈钢耐震压力表使用工作温度:-25℃~70℃. 仪表执行标准:Q/320211 DGH01-2003防护等级IP65
型号命名:

技术参数:
|
型号
|
结构形式
|
精确度 %
|
测量范围 MPa
|
|
HD-60B-Z
|
径向无边
|
±2.5
|
-0.1~0; -0.1~0.06; -0.1~0.15; -0.1~0.3; -0.1~0.5;-0.1~0.9; -0.1~1.5; -0.1~2.4;0~0.1; 0~0.16; 0~0.25; 0~0.4; 0~0.6; 0~1.0; 0~1.6; 0~2.5; 0~4; 0~6; 0~10; 0~16; 0~25; 0~40; 0~60; 0~100;
|
|
HD-60ZB-Z
|
轴向无边
|
|
HD-100B
HD-100B-Z
|
径向无边
|
±1.6
|
|
HD-150B
HD-150B-Z
|
仪表执行标准:GB/T1226-2001,Q/320211 DGH01-2003
全不锈钢压力表使用工作温度:-40℃~70℃;
全不锈钢耐震压力表使用工作温度:-25℃~70℃
工作环境振动频率不大于25Hz,振幅不大于1mm

|
型号
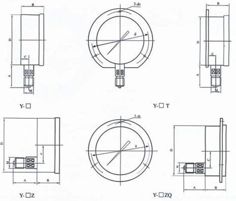
|
外形尺寸 mm
|
|
A
|
B
|
C
|
D
|
M
|
|
HD-60B-Z
|
30
|
31
|
9
|
60
|
14X1.5
|
|
HD-60ZB-Z
|
/
|
|
HD-100B
|
40
|
46
|
18
|
98
|
20X1.5
|
|
HD-100B-Z
|
|
HD-150B
|
36
|
19
|
149
|
|
HD-150B-Z
|
使用与订货须知:
全不锈钢耐震压力表不适用于外界有氧、氯、硝酸和过氯化氢等强氧化剂环境。
订货请说明名称、型号及测量范围。
仪表全部采用不锈钢材料制造,主要零件采用OCr18Ni12Mo2Ti材料,适用于有腐蚀性气体环境,可检测腐蚀性较强介质的压力,广泛应用于石油、化工、冶金等工业。
耐震型还可以适应剧烈振动环境,耐受脉动介质及冲击载荷,具有更广泛用途。 |